• <tt id="sssss"></tt>
  • <tt id="sssss"></tt>
  • <tt id="sssss"><rt id="sssss"></rt></tt>
  • <li id="sssss"></li>
    <tt id="sssss"><table id="sssss"></table></tt>
  • <tt id="sssss"></tt>
  • <tt id="sssss"><table id="sssss"></table></tt>
    <li id="sssss"><table id="sssss"></table></li>
  • 產品名稱: 低壓零序電流互感器
    產品質量:
    詳細介紹
    詳細介紹
    ? ? ? ? 相地短路電流互感器(低壓零序電流互感器)是我公司為方便低壓柜抽屜內或電纜室安裝開發設計的一款小尺寸電流互感器?;ジ衅鞑捎瞄_口式設計、體積小、安裝方便,尤其利于現場的改造安裝。主要型號有KWXD45、KWXD4595等。

    馬達保護用低壓零序電流互感器請與我公司詳細咨詢。

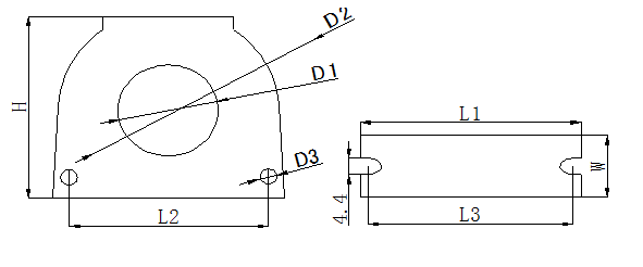
    相地短路電流互感器尺寸表

    型號

    D1

    D2

    L1

    L2

    L3

    W

    H

    負載額定電流A

    變比(二次額定1A)

    KWXD45

    ?

    45

    45

    127

    64

    60

    116

    0-400

    50/1-400/1

    KWXD4595

    48

    22.5

    95

    178

    120

    55

    135

    0-400

    50/1-400/1

    KWXD60225

    180

    30

    225

    333

    240

    60

    147

    400-1600

    50/1-400/1

    馬保用低壓零序電流互感器尺寸

    型號

    孔徑D1

    D2

    D3

    L1

    L2

    L3

    H

    W

    額定電流A

    KWXD26

    26

    45.5

    2.8

    51

    41.2

    44.2

    45.5

    18

    0-40

    KWXD45

    45

    73

    --

    85

    --

    64.3

    73.5

    22

    40-160

    KWXD60

    60

    95

    --

    95

    --

    72.4

    95

    23

    160-250

    KWXD80

    80

    120

    --

    120

    --

    103

    126

    25

    250-400

    KWXD100

    100

    140

    --

    140

    --

    122

    145.5

    25

    400-630

    KWXD150

    150

    196

    --

    196

    --

    174.5

    203

    25

    630-1250

    亚洲av永久无码精品网站